Artikeldetails
Pfosten für den PV Zaun von FM SOLAR
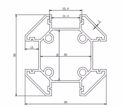
Die Pfosten gewährleisten einen sicheren und stabilen Halt des PV Zauns Style.
Warum der PV Zaun von FM SOLAR überzeugt
Eine Innovation für die Zukunft – der PV Zaun von FM SOLAR. Ein modernes Design verbunden mit Funktionalität auf höchstem Niveau. Es sorgt nicht nur für Sicherheit und Schutz, sondern versorgt Sie mit umweltfreundlicher Energie dort wo sie gebraucht wird. Zusammen mit den Lamellen lässt sich der PV Zaun variabel und individuell anpassen. Ob in Verbindung mit Solarmodulen oder den einzelnen Lamellen, können hier verschiedene Gestaltungsmöglichkeiten nach Ihren Bedürfnissen verwirklicht werden. Die Lamellen werden einfach als Stecksystem ineinandergesteckt um auf die gewünschte Höhe zu kommen. Zudem lassen sich die Lamellen in der Länge kürzen, um auch die Grundstücksfläche optimal nutzen zu können. Unsere patentierten PV-Zaunpfosten aus pulverbeschichtetem Aluminium sind dauerhaft Witterungsbeständig. Nicht nur Wasser- und Wetterfest sondern auch UV-beständig – optisch ansprechend und funktional zuverlässig. Das innovative Achtkant-Profilpfosten-System ermöglicht 90°-Schnittstellen in alle Richtungen, sodass der Zaun flexibel und exakt Ihren Bedürfnissen angepasst werden kann. Durch das profilierte, schattenfrei arbeitende Design wirkt der Zaun clean und modern. Dieses smarte Konzept unterstützt nachhaltiges, unabhängiges Leben und senkt langfristig Energiekosten.
Details:
- Pfosten für den PV Zaun Style
- Alu Pulverbeschichtet in anthrazit
- Einfache Montage
- Maße: 1850 x 90 x 90 mm
Technische Daten

Kundenrezensionen
Durchschnittliche Bewertung
0
Basierend auf 0 Bewertung(en)
5
( 0 )
4
( 0 )
3
( 0 )
2
( 0 )
1
( 0 )
Es hat noch niemand eine Bewertung für diesen Artikel abgegeben
Rechtliche Hinweise – Klicken Sie hier für weitere Informationen


